( onder het mom nee heb je…. )
Ik heb wel eens een kristal oscillator 35mhz X 3 gemaakt en varicap FM gemoduleerd,
en wat ik mij kan herinneren(Tis al weer een tijdje geleden) werkte dat niet slecht.
Eerlijk gezegd denk ik niet dat het echt goeie WFM was,
maar het toen was best goed verstaanbaar op een WFM ontvanger.
Nu is mij verteld dat WFM met een kristal niet kan! ( ben ook bang dat het zo is )
Dus mijn vraag is wat kan dan nog wel? Kun je echt geen WFM met een kristal maken?
Misschien op een duistere andere manier?
En met meer dan een(1) kristallen? Of met Smoorspoeltje(s)
En ook zo’n 10,7MHz filter kun je daar WFM mee maken?
VrGr Rob
electron920
Everything should be as simple as possible, but not simpler.
Ha rob007,
Ja dat kan met een kwartskristal of een ander piëzo elektrisch materiaal.
Uit je andere draadje heb ik begrepen dat je een aantal 21 MHz kristalen heb aangeschaft !
Ik denk dat deze te gebruiken zijn en ik verwacht nog grondtoon, maar dit moet je misschien eerst even controleren.
De grens ligt ergens bij 20 MHz standaard commerciële aanpak dus het is er net op of onder 
Is dit erg voor je experiment 1e model nee alleen wordt de uiteindelijke frequentie iets anders dus niet netjes 21 x 4 = 84 MHz maar er rond omheen........
Verder maakt het niets, uit wel betekend dit dat de grondtoon ook niet exact 21 MHz / 3 = 7 MHz is maar in analogie met bovenstaande er rondom zit.
Waarom in de grondtoon oscilleren alleen in de grondtoon is de frequentie verandering het grootst ik denk dat 2,5 tot 3 kHz haalbaar is, dit neemt rap af bij een boventoon bij een 5e boventoon is er nog maar zo'n 400 tot 600 Hz over.
Dit is dan ook de reden dat alle gecontroleerde oscillatoren O.C.X.O. of de V.C.X.O. en de combinatie van beide V.C.O.C.X.O. altijd grondtoon !
Die kristallen zijn dus 10 MHz of lager in een enkele situatie durfde men het vroeger aan om tot 50 MHz te gaan maar het kwartsplaatje wordt heel kwetsbaar en het plaatsen van de elektroden is uiterst gevoelig.
Ik gebruik in mijn time standaard 100 MHz en 150 MHz kristallen in de grondtoon maar deze hebben een omgekeerde M.E.S.A. structuur.
Omdat dit een jonge techniek is ik denk nu zo'n 20 jaar heeft niet elke kwartsboer,
heeft deze techniek in huis dus let hier op !
Wat te doen met jou 21 MHz kristal eerst kijken of het een grondtoon is kan mooi met je V.N.A. daarna een type versterker ontwerpen en de twee structuren opelkaar laten aansluiten en klaar is Rob 
Nee wacht even je wil ook nog audio moduleren zeg tot 15 kHz mono dan zal je ook een stukje elektronica willen verzinnen om het kristal inductief dan wel capacitief te beinvloeden........
Ik ga niet in een keer 3 pagina's schrijven laat dit even op je inwerken, en je heb uiteraard ook een audio ingangsdeel nodig met filter.
Maar misschien loop ik veel te hard van stapel en gaat het alleen om spraak !
Groet,
Henk.
Hallo Henk,
Zoals jij zij topic aangemaakt.
Zal een stukje schrijven waarvoor ik dit nog eens wil proberen.
HEEL vroeger toen ik ook nog steeds een stout jongetje was zaten we te piraten met Josty Kitjes(HF65)
Het bereik was van het ene uiteinde naar andere uiteinde straat naar een andere vriend,
MAAR wat wil nou die vriend had in de famielie iemand die meer wist en liet ons in kontakt komen met iemand van toen deTH in Delft nu TU Delft deze persoon verkocht mijn vriend een volgens zijn zeggen kristal gestuurd FM zendertje 3 traps, en dat kreng dat werkte me daar toch goed!
En daarvandaan dat ik nog steeds de TIK heb om zo’n ding te willen bouwen,
Het jammere we/ik heb nooit het schema kunnen ontfutselen! ( het kastje van printplaat was dicht gegoten en omdat we hem niet wilden slopen……
http://sm0vpo.altervista.org/tx/96mhzfmtx.htm
http://www.seekic.com/uploadfile/ic-circuit/2012827224650532.gif
http://www.seekic.com/uploadfile/ic-circuit/201162013346575.gif
https://www.physicsforums.com/attachments/100mhz_fm-jpg.238829/
https://circuits-diy.com/wp-content/uploads/2020/08/crystal-control-fm…
jaren later zelf gerommeld met 35MHz kristal en dat ( DENK IK! ) werkte ook!
Ik heb TOEN begrepen dat het een voorversterkertje een XTal oscillator en een trapje bezat.
Nu wil ik het nog eens maken natuurlijk met voorversterkertje (2 transistors) en waarschijnlijk verdubbeltrapje.
Ik heb een stuk of 10 kristalen 21MHz en dat dus X 4 en heb ook 10 kristallen 21,47727
Los daarvan wil ik ook eens kijken of je met een 10,7 filter X 8 kunt doen in FM.
.
Nu begon jij al ( voor mij gezien ) HEEL theoretisch, MAAR je weet nu wel ik ga daar niet ver in mee,
Bouwen ga ik het en anders niet, dus schrijf inderdaad die 3 pagina's niet
want dan haak ik waarschijnlijk al heel snel af!
En laat ik maar gelijk schrijven ( ik ben toch eigenwijs! ) LOL 
Nee ik probeer het experimenteel iemand kan ideeën opperen maar verplicht mij A.U.B. niet om…
Zoals altijd ik rommel maar wat aan, niets moet het mag…
VrGr Rob
electron920
Everything should be as simple as possible, but not simpler.
Ha rob007,
Dat was ook mijn bedoeling en is dan ook altijd mijn insteek geweest ook in de andere draadjes 
Jij heb niets aan diep gravende theorie dus ik ga ook zo'n oscillator bouwen met een 21 MHz kristal die heb ik vast en zeker wel of daaromtrent !
Maar een klein fundament is wel van belang als je een auto mag besturen ben je ook geen automonteur..... maar je moet zeker wel de beding kennen en een klein beetje de techniek snappen.
Anders gaat het fout dat is zoals je zelf vaak ondervonden heb in de elektronica niet anders, niet tot op twee cijfers achter de komma maar wel de richting van de beweging 
Ik zal een paar specificaties opschrijven eens kijken of dat het de bedoeling is.
Dan kommen we al bouwend tot een werkend model.......
Alvast een aanvulling : Ik heb 20 MHz en 21,3065 MHz dus dat is geen probleem.
Groet,
Henk.
21,3065 Hoow ook een mooie frequentie Henk!
Ik heb wel met succes een oscillator gebouwd met kristal en kon het ook verstaanbaar teug horen in…
Ja wat het geweest is ik weet het niet maar kon het wel goed horen op een FM ontvanger.
Los daarvan heb ik ook wel 2 keer een oscillator gemaakt 35MHz met daar achter een versterkertrapje en dan daar achter een trapje dat maal 3 deed en dat werkte ook goed.
Ik weet niet meer waar ik het gezien heb maar heb ook wel eens iets gezien dat als je niet een maar meer kristallen over elkaar zet dat je dan de frequentie wat meer kon schuiven,
Ook zo iets met smoorspoeltjes. ( hoe je dat noemt, ik weet het niet meer! )
.
Ik heb even nog geen tijd en daarvoor zin gehad om te prutsen, komt nog wel!
Trouwens, zeg jij eens wat vond je van 10,7 X 8 zou dat ook kans hebben?
Dus FM osc. 10,7MHz en dan misschien een trapje( ik mag het gloof ik geen buffer meer noemen? )
En dan X 8
Ik zal kijken of ik dat schema 35 X 3 naar 105 kan vinden en naar je mailen.
Hier in NL werkte dat goed, maar in Spanje werd ie warm en ging schuiven! 
( oscillator was met LC kring zonder PLL )
VrGr Rob
Het lastige is, als je een kristal heel erg verstemt, de output snel omlaag gaat en instabiel wordt.
Heb hier net een zgn. PA0MUS zendertje (12 mhz kristal) getest. Die kan ik van 145.229 tot 145.367 Mhz verstemmen. De hoogste freq. Met 15 pf in serie. Dat is toch nog 138 khz.. Dat zou je kunnen verdubbelen tot 290 Mhz. Dan terugmengen met bijv. 200 Mhz.
Dan heb je 90 Mhz output met 276 khz bereik. Ofwel + en - 138 khz. Je moet wat reserve hebben , om vervorming te voorkomen.
electron920
Everything should be as simple as possible, but not simpler.
Ha Bert jan,
Dat is een behoorlijk bereik, ik kan even niet zo gauw de schakeling voor de geest halen en C.Q.P.A. heb ik niet meer.
Maar misschien kan ik het mij morgen weer voor de geest halen even laten bezinken......
Ik bereik met mijn modulator van vroeger 50 kHz zwaai mono en een audio bandbreedte van 10 kHz.
Deze werden in den landen gebruikt voor de telefoon aanvoer om de 2ekamer telefoonverbinding naar een F.M. kanaal te moduleren.
Maar ook de middengolf zenders die kwamen niet meer door de aansluitdozen......
Op het draadje zal ik samen met @rob007 een paar opties uitwerken en in de praktijk testen !
Hierbij is het mijn idee zo min mogelijk theorie te gebruiken alleen is voor het begrip soms een iets diepere uitleg op zijn plaats.
Zie de inleiding, je komt er niet omheen om gebruik te maken van vermenigvuldig trappen dus ook daar aandacht aanbesteden.
Groet,
Henk.
Hallo Bert jan,
Ja dus mag aan nemen als je verdubbeld word het breder.
Heb net weer iets gevonden waar ik het eerder over had:
https://www.youtube.com/watch?v=gu5F90ivQMI
https://www.youtube.com/watch?v=7QlDHVJ_B8g
heb je ook wel eens op de manier van VK3YE aan het experimenteren geweest?
Of dit DE weg is weet ik niet maar ik heb ook meer dan 1 kristal dus hoop ik daar later ook mee te kunnen experimenteren.
VrGr Rob
( HOOW zie dat Henk ook heeft gereageerd nu! )
http://www.talkingelectronics.com/projects/CrystalLockedBug/CrystalLoc…
https://www.youtube.com/watch?v=KeRkWYJRxTI
.
https://www.google.com/search?q=crystal+controlled+fm+transmitter&…
.
https://easyeda.com/shyamjipatel041/crystal-controlled-fm-transmitter-…
electron920
Everything should be as simple as possible, but not simpler.
Ha Rd12tf,
Hee leuk dank je wel..... ik heb al die C.Q.P.A.'s gehad ook Elektron vanaf 1972 maar alles weggedaan i.v.m. de ruimte.
De OM PA0MUS ( silent key ) kon ik persoonlijk hele deskundige en vriendelijke persoon.
Ik heb trouwens nog een onderzoekje gedaan naar de Butler oscillator misschien vindt @rob007 het niet erg om dit terloops in dit draadje te belichten.....
Groet,
Henk.
Das toevallig, wou net vragen:
Waar zien jullie nu het meeste een gat in?
Maar dit schema zit er behoorlijk strak uit,
Bedankt Rd12tf!
Dit als een soort van basis is misschien wel mooi. ( ik heb hem uitgeprint )
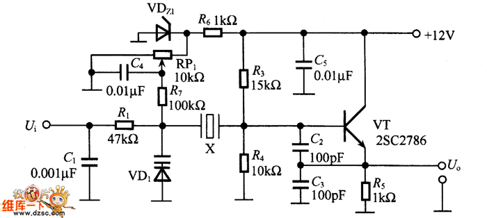
Ik vind zelf voor de rest niet veel van dit schema( op internet ) en ik neem aan dat dit NFM is?( en 12V )
Ik zit trouwens met 21MHz kristallen in plaats met 12MHz
12 X 7 ik zou dan eerder 10,7 X 8 doen, was eigenlijk eerst van plan 21 X 4
Moet ff kijken wat slim is, ga ff kijken voor BC548 en anders word het BC . . .
VrGr Rob
Och Henk is me weer voor!

@rob007 het niet erg om dit terloops in dit draadje te belichten.....
Henk gewoon doen! Altijd goed!
electron920
Everything should be as simple as possible, but not simpler.
Ha rob007,
Ik heb nu wel even gekeken wat je zoal verzameld heb, normaal sla ik die filmpjes over.
Zijn allemaal wel bruikbaar maar zonder onderbouwing dat is jammer wat ik zou willen proberen is stap voor stap de onderdelen van zo'n oscillator te benoemen niet in de wiskunde maar gewoon aan de hand van praktische voorbeelden !
Dit geldt uiteraard ook voor de resonantie kei 
Ik zal een beetje scherp zijn op vragen van jou kant en anderen om dit samen in de discussie mee te nemen.
Maar dan moet ik een en ander voorbereiden anders wordt het snel een onsamenhangend verhaal.
Op jou vraag of je ook een keramische resonator b.v.b een midden frequent filter 10,7 MHz kan gebruiken alvast kort het volgende ja dat kan.
Alleen is het wel zo dat bij een driepoot intern een serie resonator en een parallel resonator zit dus dat is even opletten.....
In principe kan je elke materiaal met piëzo elektrische ( druk elektrische ) eigenschappen gebruiken.
Dit effect is in 1800 al ontdekt maar voor het eerst goed beschreven door de gebroeders Curie in 1880.
De eerste kristal oscillator was gemaakt met een Rochelle zout kristal door Nicolson in 1918 !
Groet,
Henk.
Hallo Henk,
Heel even nog kort, Plaag stand aan!
ik zit nu even met Albert aan tafel en die zegt dat het klopt wat je zegt!
Albert vraagt of je de Groeten wilt doen aan gebroeders Curie en Nicolson
( Albert Einstein ) LOL
Je hebt het over 1800 en 1880 maar toen was ik nog niet eens geboren Henk!
( plaag stand weer uit! )
Alhoewel ik *SOMS* wel zo iets heb van was ik maar een klein beetje eerder geboren,
Met nadruk op SOMS! Waarom? ik vind buisjes ook nog steeds erg leuk!
En alle ( de ouderwetse ) Elektronica raakt op tot mijn grote spijt.
( heb ook al een flink aantal keren gehad dat mijn vrouw me in elkaar wil slaan omdat ik zo veel verzamel! )
Ik heb inmiddels even gekeken heb BC548 gevonden dus kan de versterker van deze maken:
https://www.circuitsonline.net/forum/file/71657
of de versterker van deze kan ook:
https://www.hulpnodigmet.nl/wp-content/uploads/2013/06/4tr2_5watt-radi…
Net wat het mooiste is/werkt.
VrGr Rob
https://www.electronicsforu.com/electronics-projects/crystal-locked-fm…
.
https://www.electronicsforu.com/wp-contents/uploads/2020/04/1-9.jpg
.
https://www.electronicsforu.com/electronics-projects/simple-fm-transmi…
electron920
Everything should be as simple as possible, but not simpler.
Ha rob007,
Ja soms is een klein stukje historie zeg maar achtergrond hoe komen we er op wel interessant !
Dat schema met de twee 24 MHz kristallen zou je bovenop kunnen leggen, kijk jij geef de contouren aan wat wil je maken......
Ik ga er vanuit dat je wel een betere kwaliteit wil bereiken als een intercom of babyfoon die zijn er in overvloed.
Groet,
Henk.
Henk zo ie zo pet af dat je het allemaal kunt vertellen!
Over welk schema:
Ik moet nu zeggen heb zoveel schema’s gezien dat ik het niet meer precies weet welke,
Heb ook nog niks kunnen doen behalve kijken naar transistortjes. ( Visite gehad de hele tijd! )
Dat MUS mini TX is geloof ik NFM geen WFM maar nu geloof ik ook zo ie zo niet dat je zomaar ff WFM tevoorschijn kunt toveren!
En ik heb nu ook schema’s gevonden die hier boven staan (die linkjes) waarvan ik eerlijk niet weet wat dat kan,
Ook niet of het ook wel werkt! Dus het word zo ie zo prutsen, geeft niet vind ik altijd wel leuk!
VrGr Rob
electron920
Everything should be as simple as possible, but not simpler.
Ha rob007,
Ik bedoel deze https://www.electronicsforu.com/wp-contents/uploads/2020/04/1-9.jpg die kan je bovenop leggen.
Ik heb er alleen maar kort naar gekeken maar die ziet er uit dat er zorg aan besteed is !
Deze is ook N.B.F.M. maar goed dat is aan te passen en de MUS is inderdaad ook N.B.F.M. !
De rest is toch een beetje babyfoon of walkie talkie achtig.....
Ik denk dat ik wel weet wat jou idee is : geschikt voor muziekje en spraak mono lage vervorming < 0,5 % zwaai tot 50 kHz S.N.R. >60 dB / 15 kHz audio bandbreedte uitgangsvermogen paar 100 mW.
Die met het dubbele kristal zal ik beschrijven eens kijken hoe dat werkt misschien is er wel een mee lezer die daar ervaring in heeft ?
Ik weet niet zo een twee drie wat precies de eigenschappen worden van zo'n dubbel kristal en dan met name de mate van δ f de zwaai dus......
Ik zal eerst een tabel maken met de verschillende technieken ( oscillators ) eens kijken welke het beste uit de bus komt voor jou toepassing.
En in de tweede plaats de dubbele kristal versie analyseren !
Om te solderen is het ook aan mijn kant nog een te hoge temperatuur 28°c
Groet,
Henk.
[Bericht gewijzigd door electron920 op (11%)]
Dag Rob, tja die mus zender is leuk (en leerzaam..), maar een heel projectje als je ook nog de print moet maken.. Deze werkt met gekoppelde mini-spoeltjes.
Wordt ook gebruikt bij de ballonvossenjacht en reikt dan, op 25km hoogte, tot wel 500 km..
En dan moet je ook nog de 200 Mhz maken en omlaag mengen. Een heel gedoe.
Dus, tja ik denk beter eerst een zo'n wide band x-tal oscillator proberen.
Hallo Henk en ook Bert Jan,
Ja die MUS ziet er zeker ook goed uit inderdaad!
MAAR zoals Henk schrijft gaat het deze worden:
https://www.electronicsforu.com/wp-contents/uploads/2020/04/1-9.jpg
vraagje
Zat wel te denken gebruiken ze D1 als varicap? Hoe dat zo?
Is dat bij gebrek aan beter of zo….???
.
Ik heb mij trouwens zitten bedenken ik doe strakjes 2 X 21MHz kristal er in,
MAAR wat als ik er 1 van 21 en een(1) van 21,47727 in zet?
We gaan het nog wel zien denk ik.
( HOOWww is waar ook, ik bouw alles Zwevend Bert Jan! )
Moet ff kijken maar rond om IC1 waarschijnlijk niet!
VrGr Rob
Praatje voor af:
Ik heb die oscillator gemaakt, maar wat doe ik nou met mijn gekke kop,
Ik zet er een andere transistor in een MPS2907 ( ff niet goed opgelet natuurlijk, is een PNP!!!
)
.
Ik heb de oscillator van dit schema experimenteel gemaakt:
https://www.electronicsforu.com/wp-contents/uploads/2020/04/1-9.jpg
Als modulator heb ik even geen LM386 gebruikt maar de uitgang van de PC maar dan nog wel –
met een transformatortje er tussen volume vol uit, en in plaats (R3)100K heb ik 1K.
.
ik heb nu iets zachte muziek op 84MHz in WFM. ( * ZONDERrr * verdubbel trapje! )
En heb hardere muziek op 21MHz in AM
En het hardere muziek op 21MHz in FM
.
Wat ik later ook ff zal proberen is het volgende,
In plaats van dat ik nu 2 X 21MHZ er in zet zet ik er voor de LOL 21 + 21,47727MHz in.
Ook die Diode eens vervangen voor wat andere varicapjes en ook meerdere varicaps
Misschien ook ff kijken met iets als smoorspoel of zo.
Vergeet nog wat,
een vraagjes:
Die basis van T2 direct aan Emitter T1 wat doet dat?
.
Die verdubelings trapjes,behalve X 2 of X3 enz…
hebben die nog iets te maken met de modulatie?
VrGr Rob
http://www.seekic.com/circuit_diagram/Electrical_Equipment_Circuit/An_…
electron920
Everything should be as simple as possible, but not simpler.
Ha rob007,
Je gaat snel vooruit....... maar ik zie toch wel een aantal missers in het ontwerpje dat wil zeggen het is voor smalband F.M. maar dat wisten we al !
Maar ook die audio versterker is veel te grof en dat komt dan weer door die 1N4001 dat is niet goed genoeg voor jou i.v.m. de audio vervorming.
Ik heb al wel de onderdelen dat wil zeggen 2 stuks 20 MHz kristal en 1 2N3904 of 2N2222 beiden zijn redelijk bruikbaar.
Wat ik doe is een gaatjes boardje gebruiken 20....21 MHz is nu ook weer niet zo hoog in frequentie.
Voor de audio versterker gebruik ik een normale Op amp wat heb jij zoal in de toolbox ?
En ook een echte varicap zo'n gelijkrichtdiode is voor je ontwerp niet bruikbaar, de delta capaciteit is veel te klein van 1 V naar 10 V 5 pF 
Dan jou vragen maar eerst heb ik een analyse gemaakt van het dubbele kristal tja dat viel nog even niet mee......
Ik zal morgen in zo veel als mogelijke klare taal uitleggen wat er gebeurt alvast een kleine uitleg !
Je kunt de twee kristallen parallel zien als twee oscillatoren die aan de uitgang gecombineerd hun signaal afgeven.
Wat er gebeurt als de frequenties niet gelijk zijn is het volgende aan de uitgang ontstaan twee tonen en de mengproducten, als je niet filtert een ratje toe 
Hiermee heb ik een van jou vragen beantwoord dus geen verschillende kristallen gebruiken..... sterker ik verwacht als er een afwijking in dezelfde kristallen zit dat er een nadelig effect ontstaat......
Dat vindt ik het nadeel van dat soort prentjes op internet er staat geen onderbouwing bij misschien heeft de auteur er zeker op gewezen dat je de kristallen moet selecteren op de juiste frequentie maar ja 
Goed ik zal een klein programma schrijven dan kan ik alle belangrijke parameters invoeren en vergelijken maar zien wat de combinatie doet.
Je heb ook nog een opmerking omtrent de diode gemaakt ja dat begrijp ik ook niet waarom geen varicap wij hebben twee varicap's nodig om tijdens de modulatie piek voorwaartse bias van de capaciteitsdiode te voorkomen maar dat voor later.
Welke capaciteitsdiode heb jij en welke transistor gebruik je dan kan ik de instelling berekenen.
Groet,
Henk.
Hallo Henk,
Ja ik heb dit al ZO vaak gedaan, oscillatortjes trapjes enz… alles zwevend!
Bouwen is niet het probleem Henk, het begrijpen het onderbouwen en berekenen –
Daar gaat het bij mij mis, ik kan het niet onderbouwen / berekenen.
.
Ik denk dat ik niet al te veel verder hoef te experimenteren!
Het zal wel nooit mooie WFM worden maar verstaanbaar vond ik al goed.
Heb even die 2 verschillende kristalen gedaan maar dat werd niet veel bijzonders.
2 dezelfde inderdaad, heb EN 2 X 21 EN 2X 21,47727MHz er in gehad.
En omdat ik er van iedere soort Xtal 10 heb ja natuurlijk ook 3 X 21,47727 gedaan,
En wat viel mij op dat het geluid HARDER werd!!! EN nog steeds met die 1N4007!!!
Ik heb hier wat verschillende varikapjes liggen maar NOG NIET omgeruild voor die 1N4007,
Dus dat komt ook nog.
.
En klopt het dat als je een frequentie 2 X of 3X of meer verdubbel dan is dat in het voordeel van de WFM modulatie?
( word het dan breder? ) anders wil ik toch ook nog kijken naar iets als 10,7 X 8 ( niet nu maar later! )
.
MAAR, voorlopig dit ff proberen!
HOOWww je vroeg naar de transistor, das een BC547 B of C weet het ff niet welke dacht B.
Niets bijzonders dus.
Zit nog ff te twijfelen wat ik doe met dat trapje(T2), ook met de Basis aan de Emitter van T1?
Of zet ik er nog een condensatortje tussen?...
https://www.electronicsforu.com/wp-contents/uploads/2020/04/1-9.jpg
En klopt L1 wel???
Ik kom op 8 WDG 6MM Diam. Spatie en draad 1MM met 30pF voor 84,431MHz.
VrGr Rob
Op 21 juni 2021 23:50:50 schreef rob007:
Hallo Henk,En klopt het dat als je een frequentie 2 X of 3X of meer verdubbel dan is dat in het voordeel van de WFM modulatie?
( word het dan breder? ) anders wil ik toch ook nog kijken naar iets als 10,7 X 8 ( niet nu maar later! )
.
als je de frequentie verdubbelt door vermenigvuldiging, dan verdubbelt ook de zwaai. (het wordt breder om het in Rob's taal te zeggen)
echter, verdubbel je de frequentie door menging, dan blijft de zwaai onveranderd.
Of, zwaar wiskundig:
Verdubbelen:
2 × 43000 kHz = 86000 kHz
2 × 43010 kHz = 86020 kHz
Bijmengen:
43000 + 43000 kHz = 86000 kHz
43000 + 43010 kHz = 86010 kHz
--
Maar op die manier bijmengen moet je niet doen. Uit de mixer zou niet alleen de 86010 (f1+f2) komen, maar óók 86000 en 86020 (2f1 en 2f2). Dat kun je aan de uitgang nooit uitfilteren.
Mengen moet je dus met verschillende frequenties doen, zodat je de uitgangsfrequenties goed kunt filteren.
--
Kristallen moet je niet parallel zetten.
Theoretisch kan het voor een grotere zwaai, maar in de praktijk zijn de kristallen die wij als amateur kunnen kopen nooit gelijk genoeg aan elkaar.
Het resultaat is dat de oscillator tussen twee frequenties staat te 'knipperen'.
Of misschien wel zelfs tegelijk op twee frequenties gaat draaien zoals Henk hierboven al zei.
Dankjewel Kris en FET,
Het word in mijn taal breder en dat is hoop ik toch positief!
Nu uit ALLEEN het kristal oscillatortje was het op 84MHz in WFM nog wat zacht.
Hoop binnenkort ff te kunnen kijken voor een verdubbeling 21 of 21,47727MHz maal 4 ,
ALS ook dat mij wil lukken.
.
Hallo FET om HEEL eerlijk te zijn begrijp ik bijmengen niet! Dus al zou ik het willen kweet niet eens HOE!!!
Is er een Jip en Janneke uitleg?
En verdubbelen is wat ik wil doen (Denk ik! ) en dat kan door ( ALS dat nodig is!? ) een trapje op –
Bijvoorbeeld 21MHz en dan daarna X 4 of misschien direct X 4 . ( als ik het goed heb! )
.
Kristallen moet je niet parallel zetten.
??? Hoe bedoel je FET?
Twee verschillende?..... Of twee met gelijke/dezelfde Frequentie?
Twee met dezelfde frequentie word gevraagd in het schema en het volume werd zelfs harder met 3 Kristallen.
( JAHAaa ik heb natuurlijk wel even gekeken met 1 kristal 21 en een 21,47727MHz Saampjes, )
Bedoelde je dat FET?
.
Ik wou (had ik gezegd ) ook nog kijken met smoorspoeltjes tussen Xtal en… Maar zoals het nu gaat –
Zal ik eerst nog gaan kijken met varicapjes en kijken wat er van komt.
Dankjewel voor het antwoorden allemaal!
VrGr Rob
Bijmengen... Is er een Jip en Janneke uitleg?
Je hebt twee frequenties. Die doe je bij elkaar in een 'mixer' (mengtrap). Dan komt er o.a. de somfrequentie en de verschilfrequentie uit (en meestal de oorspronkelijke ingangssignalen ook).
De gewenste som- of verschilfrequentie filter je dan uit.
f1 -->--+
|
mix-->--bandfilter-->-- f1+f2
|
f2 -->--+--
??? Hoe bedoel je FET?
Twee verschillende?
Hoezo, heb je dat gedaan dan? Nee, gelijke natuurlijk.
Maar ook dat is geen goed idee omdat ze nooit gelijk genoeg zijn.
Op de spectrum analyzer zie je meestal het probleem al wel.
De oscillator staat te springen, of zit zelfs op twee of meer frequenties tegelijk.
Neem gewoon een échte varicap, en een seriespoeltje.
Dat levert meer en mooiere zwaai op met een enkel kristal, dan een 1N4007 met meer kristallen.
En een schoner hf-signaal.