4 kanaals lichtorgel

Gepost door Jeroen Vreuls op donderdag 4 april 2002

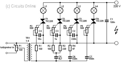
Dit lichtorgel kan op de luidsprekeruitgang van de versterker worden aangesloten. De lampen branden dan op het ritme van de muziek.
Het ingangssignaal wordt met behulp van een trafo versterkt. Dan gaat het via een eental filters bestaande uit weerstanden en condensatoren naar de potmeters en dan naar de triacs. Door de filters reageert iedere triac op een apart frequentiegebied, T1 is voor de lage tonen en T4 voor de hoge. Met P2 tot en met P5 wordt de gevoeligheid voor iedere triac ingesteld. P1 regelt de gevoeligheid van de hele schakeling.
De trafo moet waarschijnlijk zelf gewikkeld worden. Dit kan met 100 windingen primair en 400 secundair van koperdraad met een diameter van 0,1 tot 0,3 mm.
Let op met het feit dat door de hele schakeling netspanning vloeit. Gebruik daarom alleen potmeters met kunstof assen en mica plaatjes als je de triacs wil koelen.

Schema 4 kanaals lichtorgel

Begroting

Deze schakeling kost ongeveer € 10,00.

Onderdelenlijst

  • R1, R2 = 100 Ω/0,5 W
  • R3 = 220 Ω/0,5 W
  • R4 = 47 Ω/0,5 W
  • P1 = 100 Ω
  • P2-P5 = 500 Ω
  • C1 = 100 nF/500 V
  • C2 = 220 nF
  • C3 = 1 µF
  • C4 = 10 µF
  • C5 = 4,7 µF
  • C6 = 820 nF
  • C7 = 680 nF
  • T1-T4 = TIC 206
  • L1-L4 = lamp max. 600 W
  • TR1 = trafo 1:4