Hallo,
Ik wil via mijn bestaande deurbel(trafo) een klikaanklikuit zendertje schakelen, dit zendertje wordt gevoed door een batterij. Er mag geen 8v van de deurbeltrafo op komen te staan.
Na wat google-en ben ik er inmiddels achter dat dit mbhv een relais te realiseren is.
Mijn vraag: welk relais kan ik hiervoor gebruiken ?
Alvast bedankt !
Kan je iets meer vertellen?
Je wilt de deurbel werkend laten en daarbij nog een zender van KIKU kort aanzetten terwijl je drukt? Heb je een typenr van dat zendertje?
Dit soort relais zijn vrij generiek, je hebt alleen 8 volt AC denk ik. Dit is allemaal VDC :
http://www.dickbest.nl/index.php?_a=viewProd&productId=9087
[Bericht gewijzigd door K7Jz op (32%)]
Het gaat om dit zendertje: http://www.klikaanklikuit.nl/shop/producten-1/deurbellen/bel...b-7000b…
Verder klopt je aanname, ik wil de bestaande belinstallatie slechts uitbreiden met het zendertje: als er gebeld wordt klinkt de gong en stuurt het zendertje een signaal dat verder verwerkt wordt door een RFXCom en de domotica software.
mr.stijntje
Een banaan schillen met een vork is slimmer dan een cactus pellen met een afwaskwast. ©Graafvaag
Je link is stuk, bedoel je de "ACDB-7000B" zender?
Je kunt inderdaad een relais met de spoel parallel aan je gong zetten, dan wordt bij indrukken van de bel het relais bekrachtigd. De schakelkant van je relais sluit je aan op de drukknop-aansluiting van het zendertje.
Een 9VAC relais is wellicht makkelijker te vinden dan 8VAC en zal ook gewoon werken. Als je echt geen relais met AC spoel kunt vinden dan bestaat er ook een oplossing om een DC relais op je beltrafo te laten schakelen, maar daarvoor zijn een paar extra onderdelen nodig.
12 volt dc (gelijkspanning) relais zal misschien ook wel lukken.
Bv deze: http://www.conrad.nl/ce/nl/product/504090/Autorelais-896H-Song-Chuan-8…
Lekker handig met stekkertjes werken.
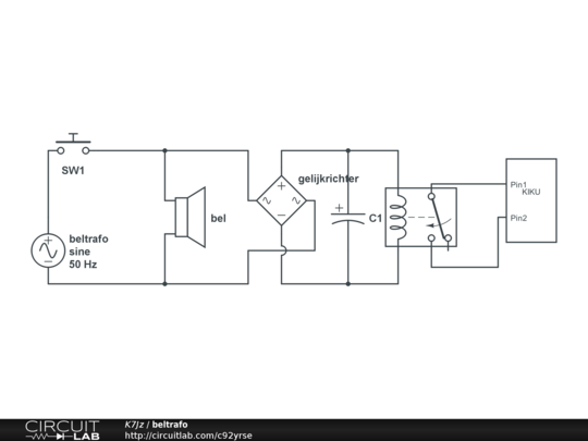
Gebruik een diode en condensator om van AC naar DC te gaan. Zoek even op 'gelijkrichter' mag met brugcel of met 1 diode.
mr.stijntje
Een banaan schillen met een vork is slimmer dan een cactus pellen met een afwaskwast. ©Graafvaag
Laat ik gelijk maar de oplossing voor een DC relais beschrijven. De gelijkrichter die K7Jz noemt.
Het kost twee onderdelen:
Het ruit met de vier diodes rechts is een bruggelijkrichter, je kunt bijvoorbeeld deze gebruiken:
http://dickbest.nl/index.php?_a=viewProd&productId=4139
(Die is een beetje overgespecificeerd, maar wel heel makkelijk in aansluiten vanwege de draden en de opdruk)
Vervolgens heb je de condensator. Daarvoor kun je deze gebruiken:
http://dickbest.nl/index.php?_a=viewProd&productId=2566
Je hebt dan een +/- aansluiting voor aan de relaisspoel. Je kunt nu een 12V relais gebruiken. Zoals deze:
http://dickbest.nl/index.php?_a=viewProd&productId=3331
Ik zou een optocoupler gebruiken ipv. een mechanisch relais.
Kost in z'n totaliteit maar twee onderdelen: een weerstandje en een optocoupler.
mr.stijntje
Een banaan schillen met een vork is slimmer dan een cactus pellen met een afwaskwast. ©Graafvaag
Dat kan ook Sonytech. Maar als de beltrafo AC is heb je een paar onderdelen meer nodig. Enerzijds voor bescherming van je diode tegen te hoge sperspanning, anderzijds om af te vlakken zodat je niet 50 pulsjes per seconde krijgt.
Ook moet je met een optocoupler opletten wat de polariteit van je switch is. Dat staat op dat zendertje waarschijnlijk niet aangegeven.
[Bericht gewijzigd door mr.stijntje op (23%)]
Dank voor de reacties zover. Top!
Ik had er waarschijnlijk even bij moeten vermelden dat ik beter ben met software dan met hardware: ik begrijp dat het (voor jullie) vrij eenvoudig te doen is. Zou iemand van jullie in Jip en Janneke bewoordingen kunnen uitleggen wat ik moet kopen en hoe ik het aanelkaar knoop ?
C1 = 500 - 1000µF 16 volt. (elco)
Brugcelgelijkrichter voor ongeveer 500mA, 12 volt.
Je tegelijk 1 diode meebestellen, bij conrad of dickbest.com, misschien werkt het prima en dan is het iets eenvoudiger bedraden dan met brugcel:
[Bericht gewijzigd door K7Jz op (11%)]
Bedankt !
Dus zo ben ik er:
Brugcel 1,5A 1000V rond Brug-1000V-1-5A €0.35 €0.35
47uF 50V 47uF-50V-sme €0.10 €0.10
Klein Relais 2x wissel 12V G5V2-12V-C1 €1.65 €1.65
mr.stijntje
Een banaan schillen met een vork is slimmer dan een cactus pellen met een afwaskwast. ©Graafvaag
Heb ik dat niet al gedaan? =)
Het aansluiten kan op zich best met een kroonsteentje, maar dan gaat dat relais wat ik linkte niet lukken. Relais vind je nooit met lange draden eraan. Ik neem aan dat solderen geen optie is..
Ik zit erover te denken om het gewoon ff zelf voor je in elkaar te solderen. =p Het is echt nul moeite als je de spullen gewoon in huis hebt. Kost waarschijnlijk minder tijd dan het helemaal aan jou uitleggen. Voor €5 maak ik het helemaal fool-proof en stuur ik 'm op. Stuur me even een mailtje als je interesse hebt, email adres staat op mijn profiel.
Edit: Dit was een eenmalig aanbod aan Piotrus en niet aan wie dit verder leest, ik ga vanaf nu NIET meer reageren op mailtjes hierover.
[Bericht gewijzigd door mr.stijntje op (12%)]
Rolletje/setje krimpkous is ook wel prettig als je gaat solderen, kan je alles mooi isoleren.
Stukje experimenteerprint is ook een optie, neem dan wel relais en gelijkrichter die daarin pas en geen dikke bouten nodig hebben voor bevestiging en een paar kabelklemmetjes voor op print.
http://www.conrad.nl/ce/nl/product/527309/Experimenteerkaart-908-1-EP-…
je kan ook een autorelais nemen en dan van die kabelschoentjes eraan knijpen. Voor diode/brugcel is dat weer wat lastiger.
@mr.stijntje : je schema was heel mooi maar ik denk dat piotrus ook even wilde weten hoe het met de drukker, bel en relais stond. 
mr.stijntje
Een banaan schillen met een vork is slimmer dan een cactus pellen met een afwaskwast. ©Graafvaag
Op 20 juni 2013 15:30:20 schreef K7Jz:
@mr.stijntje : je schema was heel mooi maar ik denk dat piotrus ook even wilde weten hoe het met de drukker, bel en relais stond.
Oh, ja mijn reactie was nog op de jip-en-janneke uitleg. =p Er waren inmiddels alweer 2 posts tussendoor gekomen.