Op Banggood wordt er een voeding aangeboden voor nog geen 10 Euro.
http://forum.banggood.com/forum-topic-47906.html
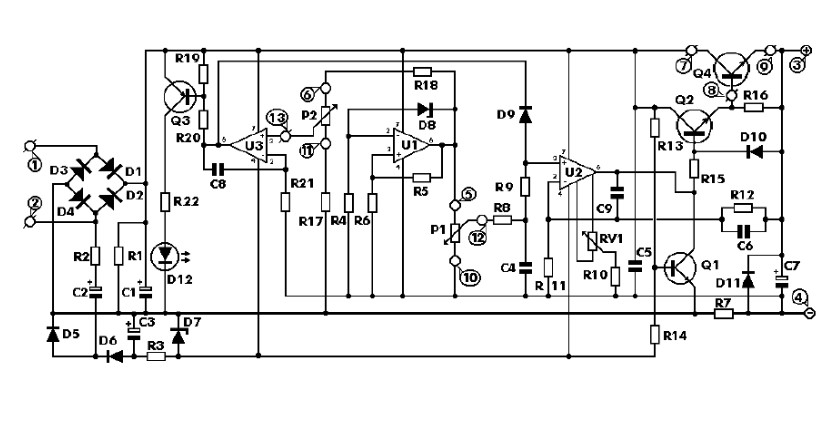
Wat vinden jullie van het ontwerp ?
Het orginele ontwerp staat hier: http://electronics-lab.com/projects/power/001/
Er is reeds over dit ontwerp gediscuceerd op CO en sommige hadden het ook gemaakt maar kregen het niet stabiel.
Ik heb deze een maand geleden ook bij BangGood gekocht (voor 10 EUR !!) en hij doet het prima.
Heb Henry S zn commentaar al gevonden 
En wat http://www.electronics-lab.com/ betreft: Kots, braak rochel... allemaal ontwerpen die half zijn.
Roland van Leusden
It's the rule that you live by and die for It's the one thing you can't deny Even though you don't know what the price is. It is justified.
Ik heb deze een maand geleden ook bij BangGood gekocht (voor 10 EUR !!) en hij doet het prima.
Testjes gedaan ? Rimpel, In- en Uitschakelpieken, Kortsluitvastheid, duurtest op vol vermogen ?
Wat denk je zelf?
Ik heb hem aan mijn Active Load gehangen maar alleen statisch getest. Op vol vermogen werd de eind transistor lekker warm, vooral als de spanning laag stond ingesteld (wat te verwachten is).
Als 3A voeding moet je wel aktieve koeling gebruiken (die op de print is toegevoegd aan het orginele ontwerp).
Rimpel en Pieken kan ik wel testen als daar behoefde aan is.
hurricane
Mvg Oswald
Ongelooflijk dat die dingen voor die prijs worden aangeboden.
Wordt er dan nog winst gemaakt, vraag ik me af ?
testman
waar rook was, werkt nu iets niet meer
ik heb die voeding jaren gelden ook al eens gebouwd, er horen wat extra ontkoppel condensatoren in. de potmeter voor U dient een linear model te zijn wat ook echt de opgegeven waarde is ( veel goedkope pots zijn veelal niet bijv 10k maar 8,7k ) ding heeft een tijd op t werk gestaan, maar heb in de kerst vakantie eens het ding verbouwd naar de elektuur 81 voeding en meteen 10amp gemaakt met 17v trafotab omschakeling.
de prijs zal de wet van de grote getallen zijn, veel inkopen van een onderdeel laat de prijs dalen, als de ontwerpkosten eruit maakt een product veel al goedkoper. dan een onderdeel op meer plaatsen gebruiken, bijv 8x een 0,22uf condensator en 1x een 0,33uf dan wordt die 0,33 ook een 0,22uf model want dat scheelt een extra component inkopen.
Ziet er een vrij degelijk schema uit. Grootste risico lijkt mij ook oscillatiedrang of instabiliteit.
Specs zijn wel lachen 
output voltage ripple: minimum 0.01%
Even wat sfeer plaatjes:


Het koel lichaam, de IC voetjes en de pin header voor de LED zitten niet standaard in het bouwpakket. De print keurig afgewerkt en netjes.
Metingen volgen nog.
fcapri
ik hou van werken ..., ik kan er uren naar kijken
ziet er idd wel leuk uit. en voor die prijs... eentje besteld 
hoe ze aan die prijs komen is niet moeilijk, in china kost dat electronica spul echt NIKS. die hebben daar massas fabrieken staan die produceren voor het westen. of dat fabriekje nu 100 000 IC's of 101 000 produceren maakt niet uit. maar die 1000 extra kunnen dan wel leuk dienen voor kleine projectjes.
al die overschot wordt ook vaak aangeboden op aliexpress (soort van chinese ebay).
als je denkt dat DX.com goedkoop is... een 7" scherm voor men raspberry kost op DX 44€, op aliexpress slechts 19€ (t is al onderweg
)
Op 7 april 2015 15:23:36 schreef hurricane:
Ongelooflijk dat die dingen voor die prijs worden aangeboden.
Wordt er dan nog winst gemaakt, vraag ik me af ?
Het meest kostbare lijkt mij nog die print, en die is redelijk grof qua baantjes & met relatief weinig koper erop. Zou dus makkelijk & goedkoop te fabriceren moeten zijn.
Die onderdelen zullen weinig kosten, en klein grut als weerstanden kost praktisch niks. Voor de rest is 't een kwestie van herverpakken & dozen schuiven. Lees: in elk v/d 1000 zakjes 1x onderdeel A, 2x onderdeel B, dan onderdeel C enz, of misschien zelfs een continu-lijntje met een paar mensjes (of machines?) ernaast. Een soort pick & place wat je net zover kunt stroomlijnen / automatiseren als je wilt.
Idd. het blijft knap. Maar als 't in aantallen gaat & met Chinese loonkosten, dan kan er veel. En ook een paar schamele dubbeltjes winst / stuk tikt aan als je er tig-duizend van verkoopt. 
Op 7 april 2015 19:20:06 schreef fcapri:
al die overschot wordt ook vaak aangeboden op aliexpress (soort van chinese ebay).
Je moet niet vergeten dat je in China een paar van die stedelijke clusters hebt, waar ontiegelijk veel van die tech-bedrijven op een kluitje zitten. Bijv. Guangzhou - Shenzhen - Hong Kong. En daar zul je naast internet markten als AliExpress ook nog lokale markten & shops hebben waar je óf bakken met spul zo mee kunt graaien, óf contacten kunt leggen voor levering van ander/meer spul. Of een combinatie van beide.
Transport kosten tussen zulke bedrijven onderling zullen laag zijn, lijntjes / levertijden kort, en gereed product kan zelfde dag op de luchthaven liggen. (ja ik weet - daarna is 't wachten op douane / leeg plekje in het vliegtuig / NL douane / tante Pos
).
plano
Webshop voor Electronic Prototype | http://eProto.nl/
@ RetroTechie, Ja ze verdienen er ook nog op. Wellicht niet de mensen die 12 uur per dag werken (7 dagen pw) die de onderdelen uittellen en in zakjes stoppen, maar wel de eigenaren van dergelijke store's. Toevallige gelezen dat van de multimiljonairs die er vorig jaar bij zijn gekomen 68% chinees was...
Overigens een keurige print, netjes gesoldeerd. En dan voor dat geld ? De behuizing gaat waarschijnlijk meer kosten.
Kon m voor die 10 Euro ook niet laten liggen. Heb nog een lege voedingsbehuizing staan. Mocht iemand tips hebben (ontkoppel C's) dan houd ik me aanbevolen.
Zit de onderkant van R10 nog steeds aan de massa, die moet namelijk aan de negatieve voeding. Kif is aan het modificeren geweest: http://www.circuitsonline.net/forum/view/61942
[Bericht gewijzigd door Henry S. op (31%)]
Ook ik heb er eentje laten overkomen om eens mee te spelen, nu kom ik een oude trafo tegen die onbelast zo'n 28V geeft, gezien z'n afmetingen en gewicht schat ik dat hij zeker een ampere of 8/10 kan leveren dus in de toekomst zou ik er zelfs een dubbele voeding van kunnen maken. Als ik het schema bestudeer lijkt het mij dat de 28v geen kwaad kan, iemand die dat kan bevestigen?
28V AC is √2 * 28 = 39,6V DC
De op-amps (TL081) kunnen dat niet aan. (max = 36V)
Dus, nee dat kan niet. De op-amps in deze schakeling zitten met een 24V AC toch al aan hun max.
[Bericht gewijzigd door flash2b op (36%)]
fcapri
ik hou van werken ..., ik kan er uren naar kijken
de mijne is al een tijdje geleden aangekomen, is al gebouwd en getest, maar nu ik het topic terug zie verschilt mijn print wel.
aan die ventilatorconnector net aan de koelplaat (die lege 3 pinnekes) heb ik ook een 7824 staan voor de fan
Die zat er bij mij ook bij, maar heb ik niet gemonteerd omdat mijn koelplaat net te breed was en er geen ruimte was om hem te monteren.
fred101
Golden Member
www.pa4tim.nl, www.schneiderelectronicsrepair.nl, Reparatie van meet- en calibratie apparatuur en maritieme en industriele PCBs
Voor 10 euro kun je zelf zo'n printje niet maken. Maar daar heb je weinig aan als het ontwerp niet goed is. Nu zijn er genoeg situaties waar je voeding een adaptertje vervangt of het circuit wat je aansluit zelf al regelaars heeft en dan werkt bijna alles. Je gebruikt dan een labvoeding voornamelijk voor de stroombegrenzing mocht er iets fout zitten in je te voeden schakeling. En zodanig is het niet verkeerd.
Hoe reageert de voeding bij het aansluiten/aanzetten van een belasting ?
Alles op de uitgang zweeft en is ongedefinieerd zonder belasting (in theorie tenminste, de spanning-meet opamp zal mogelijk tegen een rail vastlopen en het is de vraag of en hoe snel hij reageert op aansluiten van een belasting.
Dat lijkt me ook nog al gevoelig voor oscillatie. Ik zou een kleine vaste load op de uitgang zetten. Iets wat net genoeg stroom trekt om de spanning regeling op de ingestelde waarden en vooral voorspelbaar te houden. (denk ik, het is nog vroeg
)
Op 5 mei 2015 00:40:39 schreef flash2b:
28V AC is √2 * 28 = 39,6V DCDe op-amps (TL081) kunnen dat niet aan. (max = 36V)
Dus, nee dat kan niet. De op-amps in deze schakeling zitten met een 24V AC toch al aan hun max.
Dat is erg jammer, dan zo maar eens verder kijken in de rommelbak 
Hi,
Een opamp die goedkoop is en 44V max aan voeding heeft is de LF356.
De snelheid komt ongeveer overeen met de TL080/TL070 serie.
Dit is belangrijk voor de stabiliteit.
Ik zal ook eens zo'n "Referentie" voeding bestellen en dan gaan kietelen 
Gegroet,
Blackdog
rew
four NANDS do make a NOR . Kijk ook eens in onze shop: http://www.bitwizard.nl/shop/
Ruben, als je echt even wilt "prutsen" kan je natuurlijk wel wat verzinnen. Bijvoorbeeld een extra gelijkrichter in serie. Met de buffer-elcos er aan vast gewoon even meten: Wat wordt de spanning? (ik gok: te veel).
Dan sluit je een 22k weerstand en een rood ledje aan als power-indicator. DAN verwacht ik dat je de spanning al onder de 36V ziet zakken (met die extra brug er tussen).
fcapri
ik hou van werken ..., ik kan er uren naar kijken
let wel op, als je de eindtrap ongeisoleerd op de koelplaat zet, komt die koelplaat op VCC te staan. bij mij zat de koelplaat vast op de behuizing en de hele behuizing stond op 30V. dit heb ik gemerkt toen één van men leddraadjes (led zit op de voorplaat ipv op de print) tegen de behuizing kwam