Oeh dat klinkt interessant. Dan kan ik heel mijn relais er uit halen.
Hoe kan ik dat controleren? Ik heb K1551D1 drivers, dat is de Russische variant van de 74474.

De datasheet van de 74141 zegt dat het daar ook al mee kan:
https://neon1.net/nixieclock/sn74141.pdf

Halen we 74141 en 74474 door elkaar of is dat weer totaal iets anders?

[Bericht gewijzigd door Henry S. op (35%)]

het is 74141.... of de oude versie 7441

Ah okee. Toevallig ervaring of het met de Russische K1551D1 ook zo werkt? Want dan kan ik het relais er uit halen.

Op 7 februari 2016 15:49:15 schreef tmdr:
Ah okee. Toevallig ervaring of het met de Russische K1551D1 ook zo werkt? Want dan kan ik het relais er uit halen.

Met de K1551D1 werkt dit prima, FF = display donker.
Gebruik ze in een nixie thermometer die s`nachts uit gaat.

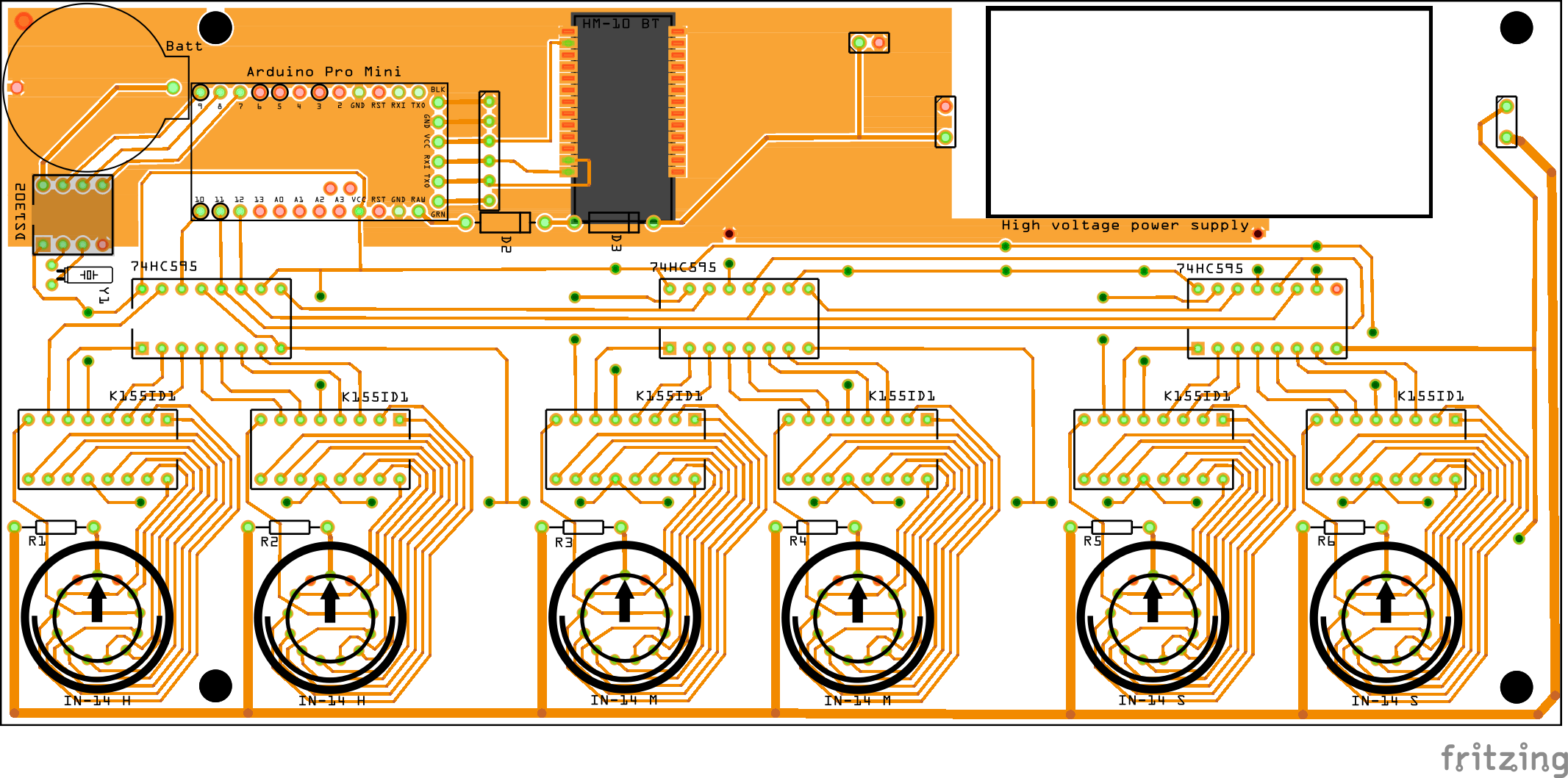
Ik denk dat mijn PCB ontwerp inmiddels zo goed als af is. Misschien nog een kenner die fouten kan ontdekken?

(klik voor groter)

De HM-10 Bluetooth module wordt aan de onderkant gesoldeerd op de soldeerpads trouwens.

Volgens mij staan de diodes (D2 en D3?) in de verkeerde richting naar je RAW pin van de pro mini.

Op deze manier "sperren" ze de spanning en krijgt je pro mini niets.

Kan je iets in betere resolutie posten?
Dat maakt het een pak leuker om te bekijken :)

Ah het is gelukt om een groter formaat er uit te trekken.

Klik hier voor niet schalende versie

Dat van die diodes kan kloppen. Ik weet namelijk niet aan welke kant de markering hoort. Klopt het dat die markering ook de markering op een THT diode voorstelt?

[Bericht gewijzigd door tmdr op (17%)]

Dat kijkt al een pak prettiger... volgens mij is in 99% van de gevallen het streepje de - pool (kathode)

wat doe je trouwens met die via's die in het niets verdwijnen (heb je een 2 layer print?)

Nee ik heb een enkelzijdige print (ben een beginnertje) dus daar maak ik draadbruggen. Op een andere manier kreeg ik het namelijk niet voor elkaar met maar één layer.

Als je je print zelf gaat etsen, is het ook niet zo moeilijk om er een double layer van te maken..... Alleen zorgen dat je geprinte layouts goed uitgelijnd op de print gelegd zijn. en recht boren achteraf. :)

Klopt, echter denk ik dat ik daar nog niet aan toe ben. Bovendien heb ik niet zo'n problemen met wat draadbruggen. Ik ben al heel trots dat ik dit heb weten te fabriceren.

Verder nog misstanden?

Inmiddels ben ik op aanraden van KoenP overgestapt naar een multiplexing setup. Op een breadboard werkt dit nu netjes.
Omdat ik van plan ben om in de toekomst meer klokken te maken, ben ik me nu ook aan het verdiepen in de voeding. Momenteel gebruik ik nog een klein bordje van eBay dat een hoog voltage voor de Nixies levert. Inmiddels zijn alle onderdelen binnen om de voeding van Turbokeu te maken.

Ik heb de voeding nu op een breadboard geprikt. Echter is het laagste voltage (trimpot helemaal weg draaien) dat ik uit de voeding krijg zo rond de 360v DC. Ik heb qua componenten (volgens mij) alles exact het zelfde gebruikt als in het schema staat. Waar kan ik het beste zoeken waar de fout zit?
Ik zet momenteel 9 volt op de schakeling.
Is een foto van mijn breadboard setup handig?

Is de spanning wel te regelen dan met P1 ?

Ja, van +- 360v tot 1200v. Lijkt me niet echt goed.

Je hebt je meter toch wel op DC staan?

Lijkt me toch een verkeerd onderdeel ergens. Spoel, ic (geen cmos?) en diode goed?
Hier staat de complete beschrijving: http://slacklist.olek.waw.pl/smietnik/nixie2/zasilanie/nixie_supply.pd…
Fotootje van opstelling kan inderdaad nooit kwaad...

[Bericht gewijzigd door Arco op (50%)]

Ik heb het probleem al opgelost. De BC547B had ik niet (goed) aan GND zitten. Hij doet het nu feilloos.
Direct aangesloten op m'n nixies. Werkt mooi.

Nu een optionele vraag: zou ik eventueel ook van 5v gebruik kunnen maken? Ik gebruik namelijk liever een 5v adapter (ivm het voeden van de Arduino) dan een 9 - 12v adapter.
Zou dat ingrijpend zijn?

Volgende project een DCF Nixieklok?

Moest even opzoeken wat het precies is. Ziet er wel gaaf uit. Volgende project zal een exacte kopie zijn van deze. Dan misschien een klok met numitrons. En verder ga ik niet vooruit plannen, eerst doen dan pas denken aan volgende projecten. Ik moet wel zeggen dat ik verslaafd ben!

Op 8 april 2016 09:24:35 schreef mel:
Volgende project een DCF Nixieklok?

Daar zit ik ook al een tijdje aan te denken. Maar dan wil ik die wel discreet opbouwen (geen torren. met ic'tjes neem ik genoegen) maar dan moet ik best eerst mijn co-voeding afmaken om vanalles te testen. Van wat er uit mijn hoofd al ontsproten is, valt het eigenlijk best goed mee. Het principeschema toch. want die pariteitcheck heeft een hoop poorten in cascade nodig. :p

Maar dan wil ik die wel discreet opbouwen (geen torren. met ic'tjes neem ik genoegen)

't is natuurlijk wel leuk, zonder ic's: http://tube-clock.com/ ;)

Hoe goed zal DCF77 ontvangst zijn met die 170V hakketakvoeding vlak in de buurt...? Buisjes dan maar uit als je 's nachts DCF wilt synchroniseren.

Meeste van mijn klokken zijn DCF, maar je kunt toch wel merken dat ze 't er ieder jaar moeilijker mee krijgen om iets fatsoenlijks te ontvangen... :)
(eenmaal in de week synchroniseren is nu echt geen uitzondering meer, vroeger ging dat elke dag goed)
Zoiets is wel een goede oplossing (meinberg heeft veel op DCF gebied):

https://www.meinbergglobal.com/prod_img/aw02.jpg

WiFi is nu natuurlijk ook een goede oplossing: de NTP tijd via het internet ophalen. (GPS is wat minder, omdat ook daarvan de ontvangst binnen beroerd kan zijn)

DCF is veel leuker dan NTP :-) Wil zelf nog eens experimenteren met deze arduino library:

http://blog.blinkenlight.net/experiments/dcf77/dcf77-library/

Daar zitten wat DSP achtige technieken in om DCF zo goed mogelijk binnen te harken.

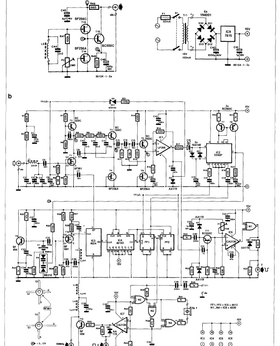
Is er in de doe-het-zelf hoek iets te doen met een voorversterkte buitenantenne of zo ?
Of het ontvanger ontwerp ?
Als ik het Elektuur ontwerp Feb 1987 (zie plaatje onder) vergelijk met een Conrad module'tje lijkt me niet dat dat qua kwaliteit/selectiviteit etc het zelfde is.
Er zullen ook wel ontwerpen "ergens in het midden" liggen.