Ik heb soortgelijke probes als Fotohuis een tijd terug uit Alie geschud voor bij een multimeter. Geen idee meer voor hoeveel, maar duur waren ze beslist niet.
Ze zijn 0,5 mm2 en bevallen mij prima. Klemt goed, stevige bek, ribbeltjes.
Het zijn Kelvin aansluitingen, één draad maakt een bocht langs het scharnier en geopend is de verbinding open. [edit] Het kan best zijn dat het coax is (SRVFP 0,5mm2 Cableplus staat er op), en dat ze hetzelfde gebruiken voor de RCL kabels met BNC's. Daar zie ik met de endoscoop in het handvat echter niets van.
Ontopic: Links een stukje van een nieuwe referentie waar ik nog niet genoeg tijd voor gehad heb, een dial-a-volt 
[Bericht gewijzigd door Aart op (18%)]
rob040
Special Member
Vandaag zijn mijn kelvinprobes binnengekomen. Ik heb dezelfde besteld als Fotohuis, maar rechtstreek bij AliE. Dan zijn ze net geen 19 euro voor een setje. Levertijd precies een week.
Het zijn inderdaad 'echte' kelvinprobes, de draden gaan elk naar een andere kant van het bekkie.
Op de kabel staat 'SYF-RG-174 50Ω COAXIAL CABLE', alleen de afscherming zal los hangen. Functie? Het zal een professionele indruk moeten wekken... 
De (onaangename) verrassing zit hem echter in de banaanstekers.
Mooie vergulde contacten die stevig in de meter drukken, maaaaarrrrr het kroontje zit los en kan draaien. Zie foto:
En in een willekeurige meter gestoken draait het nog steeds vrolijk rond.
Dus betrouwbaar (milli)ohms meten kun je vergeten, want er is een forse overgangsweerstand mogelijk.
Dat bleek ook toen ik namat of de draden werkelijk gescheiden aangesloten waren, de meter stond niet stil op (bijna) 0Ω, maar danste omhoog. Een beetje zijdelingse kracht op de banaansteker hielp om beter contact te maken.
Dus om er wat aan te hebben is het dringend aan te raden de banaanstekers te vervangen door wat beters. 
Bij mij kun je de bananenstekkers loshalen maar het draait niet rond. Dus kennelijk toch niet helemaal dezelfde Kelvin probe van Ali-E.
rob040
Special Member
Dat kan, maar dan heb je andere probe als op de foto die je op 12 en 15 juni postte.
Die foto van jouw Duitse leverancier is exact gelijk aan die van AliE en jouw plaatje.
Maak eens een foto van jouw banaanstekers...
fred101
Golden Member
www.pa4tim.nl, www.schneiderelectronicsrepair.nl, Reparatie van meet- en calibratie apparatuur en maritieme en industriele PCBs
Wat ik doe bij bananen met zo'n draaiend middenstuk (meestal door slijtage) is het aan 1 kant vast solderen. Daar wordt de meting een stuk stabieler van.
Ik heb nu een LCR meter van een klant op de bench liggen (heeft 1000V op 1
van de klemmen gestaan) Dat is ook coax, de connectors lijken zo op het oog op die van de foto van fotohuis, maar de vergulde bekken zijn recht en er zitten hele mooie BNC connectors aan. De gnd gaat via de meter via een aparte aansluiting, de coax mantel zit op een guard signaal aangesloten. Het plastic van de klemmen is stevig. Die bekken zijn echt perfect. De tandjes grijpen naadloos in elkaar en ze hebben een forse knijpkracht. Als ik nog geen set had dan had ik deze besteld want ik gebruik mijn LCR meter erg veel (ik weet niet waar ze vandaan komen maar dit zal geen goedkoop setje zijn geweest
Op woensdag 26 juni 2024 18:49:00 schreef rob040:
De (onaangename) verrassing zit hem echter in de banaanstekers.
Mooie vergulde contacten die stevig in de meter drukken, maaaaarrrrr het kroontje zit los en kan draaien. Zie foto:
[bijlage]
En in een willekeurige meter gestoken draait het nog steeds vrolijk rond.
Dus betrouwbaar (milli)ohms meten kun je vergeten, want er is een forse overgangsweerstand mogelijk.
Dat bleek ook toen ik namat of de draden werkelijk gescheiden aangesloten waren, de meter stond niet stil op (bijna) 0Ω, maar danste omhoog. Een beetje zijdelingse kracht op de banaansteker hielp om beter contact te maken.
Dus om er wat aan te hebben is het dringend aan te raden de banaanstekers te vervangen door wat beters.
Je mist de essentie van de Kelvinmeting.. die draaiende kroontjes maken idd een schommeling in weerstand, das zeker, maar de bedoeling van een Kelvinmeting is nu net dat die enkele mOhm (of veel meer ) in de snoertjes geen rol meer spelen...
Naar aanleiding van dit topic mijn kelvinkabels eens nader onderzocht.
De twee bekken zijn gescheiden aangesloten.
De banaanstekkers hebben ook het draaibaar kroontje.
Mijn lcr meter is de xjw01.
Mijn MM waar ik deze kabel bij gebruik is de Owon xdm2041.
Nu valt mij op dat als ik via een verloop bnc naar banaan op de xjw01 deze kabel aansluit en ik de banaanstekker verdraai dat de weerstand enkele m ohms veranderd.
Mijn vraag is nu wat is een goede vervanger voor deze banaanstekkers.
fred101
Golden Member
www.pa4tim.nl, www.schneiderelectronicsrepair.nl, Reparatie van meet- en calibratie apparatuur en maritieme en industriele PCBs
Je kunt een kant vast solderen. Het kan ook aan de bussen in de Owon liggen. In een bench meter uit die klasse zitten ook low budget banaan bussen. 4 echt goede connectors kosten bijna evenveel als de kelvin set. Ik gebruik deze regelmatig.
https://nl.farnell.com/hirschmann-testmeasurement/972518701/plug-4mm-r…
Deze zijn nog beter, die zijn ipv verguld nikkel, gemaakt van beryllium koper.
https://nl.farnell.com/pomona/3690-0/banana-plug-miniature-5a-solder/d…
Overigens zullen ze altijd draaien en draaien zal altijd kleine variaties in waarde geven.
Op donderdag 27 juni 2024 11:31:13 schreef fred101:
Overigens zullen ze altijd draaien en draaien zal altijd kleine variaties in waarde geven.
inderdaad, een banaan heeft altijd wat variabele overgangsweerstand hoe klein ook. Winands gaat dan nog eens over naar BNC? (die zijn nog erger kwa overgangsweerstand)
maar ik snap het nog steeds niet, want bij Kelvin metingen maakt die variabele of niet variabele overgangsweerstand niets uit, daarvoor zijn er Kelvinmetingen..
Bedankt voor de antwoorden.
De kelvinkabels met banaan gebruik ik op de owon.
Voor op de xwj01 gebruik ik kelvinkabels met bnc.
Ik was alleen benieuwd hoe het met mijn kabels met banaan is naar aanleiding van wat Rob040 melde.
De xwj01 is erg nauwkeurig en meet tot 0.1 m ohm.
En daar viel het mij bij op.
rob040
Special Member
Op woensdag 26 juni 2024 23:47:34 schreef kris van damme:
[...]Je mist de essentie van de Kelvinmeting.. die draaiende kroontjes maken idd een schommeling in weerstand, das zeker, maar de bedoeling van een Kelvinmeting is nu net dat die enkele mOhm (of veel meer ) in de snoertjes geen rol meer spelen...
Het principe is me echt wel duidelijk, maar mijn gedachte was dat het een onrustige meting oplevert.
Ik heb met een simpele digitale ohmmeter alleen willen meten of de bekjes separaat aangesloten zijn. De uitlezing stond soms onrustig te dansen. Kan best zijn dat er kortstondige onderbrekingen zijn, of dat het even zo hoogohmig wordt dat de stroombron niet meer de vereiste stroom kan leveren (bij een correcte kelvinmeting).
Dat was een veronderstelling en ik begrijp niet wat nou het voordeel van deze draaiende kroontjes is.
Een gammel meetsnoer vervang ik ook, dit doet me daar een beetje aan denken. Maar goed, ik zal eens kijken wat het doet met een vierdraads meting. 
fred101
Golden Member
www.pa4tim.nl, www.schneiderelectronicsrepair.nl, Reparatie van meet- en calibratie apparatuur en maritieme en industriele PCBs
De veren worden ingedrukt door de bussen, daarbij worden ze langer en klemmen goed tegen boven en onderring. Het voordeel is dat de connector wat kan draaien zonder te schuren. Maar als de bussen te ruim zijn (bv Low budget bussen die bestaan uit twee verende flinterdunne stukjes metaal, of door decennia lange slijtage dan wordt de veerbus niet voldoende ingeduwd en niet lang genoeg.
Als je dan Chinese low-budget bussen hebt en Chinese low budget stekkers dan is de kans groot dat de banaan niet goed genoeg contact maakt.
Onderhoud is ook van belang, ik reinig af en toe de binnenkant van banaanbussen met wat IPA of soms K61.
Waarom draaiende bananen in de meting merkbaar zijn weet ik niet, ik denk kwaliteit van bussen en bananen. Mogelijk wekt de wrijving van het draaien wat warmte op en dat veroorzaakt een seebeck effect ??
MAAR, ik heb het net geprobeerd bij mijn Keithley 7510 met een 4 draad probe waar de connectors die vergulde van Hirschmann uit mijn link zijn. Ik heb ze rond gedraaid en dat heeft geen zichtbaar effect op de uitlezing. Die resolutie is 100nOhm in de 1 ohm range. Onder 100 uOhm staan de digits niet stil maar als er verandering is dan is dat lager dan 1mOhm. (De meter was nog niet opgewarmd en stond op max sample snelheid.
rob040
Special Member
Duidelijk, Fred. Er is dus over nagedacht, alleen die Chinese kloon banaanstekers hebben veel te veel speling om te klemmen als het ding in een bus gestoken wordt. 
Aan één kant solderen hou ik in mijn achterhoofd. Die Hirschmann banaanstekers zou mijn volgende keuze zijn om er aan te solderen, dat zal ongetwijfeld probleemloos werken.
Voor professioneel gebruik zijn deze meetsnoeren brol, maar wellicht is het voor de hobby nog goed te gebruiken (na wat aanpassingen).
Rob, Fred doet wel een vierdraadsmeting, voor je oordeelt moet je dat op zijn minst ook eens doen. zelfs dure Hirscman stekkers gaan wat weerstandsverandering tonen in een tweedraadsmeting/
Zowel verleden jaar op HAM Radio 2023 als dit jaar op HAM Radio 2024 kwam ik een oude HP True RMS Voltmeter tegen die ik heb aangeschaft.
Hierdoor heb ik zowel een HP3403A (1972 Made in USA): https://xdevs.com/doc/HP_Agilent_Keysight/HP%203403A,%203403B%20Operat… als een HP3403C (1974 Made in USA): https://xdevs.com/doc/HP/3403.pdf.
Hoewel deze meters al aardig oud zijn, hebben ze behoorlijk goede spec's en kunnen tot wel 100MHz AC TRMS meten én een hoge crest factor aan van het ingangssignaal. Het meetprincipe gebruikt een thermische TRMS converter waar mooie foto's van zijn gemaakt op het EEVBlog. De meter kan ook floating worden gebruikt door een speciale HP 5040-5847 BNC naar Banana adapter te gebruiken die een kleine schakelaar onder de BNC ingang indrukt om de ingang zwevend van de chassis ground te maken.
De 'C' versie die ik verleden jaar kocht was volgens mij echter niet helemaal goed, vandaar dat ik dit jaar er nog een 'A' versie bij kocht. Maar ook die bleek niet te werken zoals ik verwachte. Beide hadden echter dezelfde 'fout' dus uitwisselen van printen was niet mogelijk om van twee niet werkende er een werkende van te maken.
Om deze meters te kunnen vergelijken met een andere bekende True RMS Voltmeter, de Fluke 8920A, moesten ze eerst werkend worden gemaakt. Dat viel reuze mee, want het was deze keer géén apparaat fout maar een gebruiker fout. 
Dat bleek uiteindelijk nadat ik voor een gezamenlijke reparatie bij miedema was aangekomen. Gelukkig had hij de handleiding wél gelezen en lag de meter, na het controleren van de spanningen van de interne voeding, nog niet helemaal gedemonteerd op tafel.
De HP3403's hebben een eigenaardige range selector en kunnen niet zomaar een range naar beneden (voor meer digits) of naar boven (voor minder digits) worden geschakeld wat bij andere meter gebruikelijk is. Dit komt doordat het begin en einde van elke range anders is en bovendien niet vanaf 0.000 (mV of V) begint. Dat wordt duidelijk vermeld op de kaart die onder het apparaat opgeslagen zit en uit kan worden geschoven.
(noot dB is een optie die ontbreekt in mijn exemplaren)
Na aansluiten van een functie generator en een een splitter bleken beide meters goed te functioneren. Hieronder wordt een AC signaal van 10MHz aangeboden via een 50Ω afgesloten generator, splitter en 50Ω afgesloten meters. Geen gekke waardes !
(foto gemaakt door miedema)
We hebben ook nog getest met een offset van 1V (voor AC+DC) en frequenties tot 100MHz. De DC stand had ik thuis al getest en was altijd al goed. Alle bereiken en combinaties DC, AC+DC en AC bleken uiteindelijk prima te werken. We hebben niet alle afwijkingen grondig geverifieerd maar het zag er heel goed uit allemaal.
De beide meters zijn prachtig gemaakt en redelijk zwaar voor de afmetingen. De standen schakelaars schakelen niet direct maar sturen reed relais aan die in de signaal weg op de PCB's bevinden. De HP3403A heeft zo'n prachtige HP display met puntjes die de HP3403C niet heeft en voorzien is van een normale LED display. Mijn exemplaren hebben allebei geen auto-range want dat was een optie en die mist in de mijne, hoewel de front van de 'C' anders doet vermoeden.
Het is jammer dat het plastic van de knopjes van veel HP apparaten uiteindelijk vergaat en dat de front van mijn HP3403A (onder op de foto) niet zo mooi meer is. De 2 veel-te-moderne draaiknoppen heb ik reeds vervangen voor tijdsperiode correcte Japanse exemplaren en dan ziet het er al veel beter uit. Zie hieronder, als iemand de juiste HP knoppen overheeft..... 
Uiteindelijk ben ik zeer blij met beide meters en wil verder miedema nog bedanken voor de 'reparatie' 
miedema
Golden Member
Die HP 3403 zijn mooie meters! Gebouwd door engineers voor engineers.
Uit de tijd dat de HP ontwerpers iets zo goed mogelijk probeerden te krijgen, en daarvoor het onderste uit de kan haalden. Daarna werd pas gekeken wat het zou moeten kosten. (ontworpen rond 1967)
Bij deze thermische RMS meter is elke RMS converter ("Thermophile" in HP taal) opgebouwd uit 30 thermokoppels, om de gewenste gevoeligheid te bereiken. die 30 thermokoppels zijn gebouwd met Thin film techniek, zodat de massa laag blijft, en daardoor de reactie snelheid hoog.
.
De symptomen van de meters van flash2b was dat ze op DC goed leken te werken, maar er op AC geen uitlezing was.
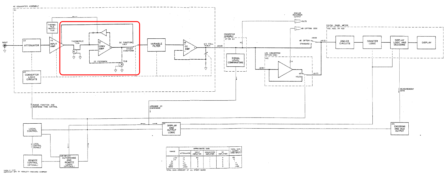
Als je dan naar het blokschema kijkt, dan wordt je niet vrolijk:

klik op schema voor grotere versie
Het enige verschil tussen de DC en de AC meting is dat het DC pad om de Thermophile heen geleid wordt.... Dus zou een fout daar in moeten zitten. En natuurlijk bevat die Thermophile een zeer hoog gehalte van Unobtanium....
Gelukkig bleek het mee te vallen. Zo'n thermische RMS converter heeft een minimale ingangsspanning nodig om in z'n lineaire en nauwkeurige bereik te komen. Als de meter vanaf nul zou uitlezen, dan zou je dus onderin het bereik waarden zien op het display van de meter die niet kloppen. (omdat de RMS converter nog niet binnen z'n specificatie zit).
De HP oplossing is om het display blank te laten als je onder de minimale input zit voor een uitlezing binnen de specificatie ....
Dat zou nauwelijks opvallen als de meter autoranging had, dan autoranged de meter naar beneden (al ver voor die minimale input), tot dat er weer voldoende input signaal is om wél een betrouwbare uitlezing te hebben.
Maar deze meters hebben geen autorange, dat was een (dure) optie.
En dus zit je bij geen of te laag inputsignaal naar een blank display te staren.....
Natuurlijk verwacht je van een meter dat, als er geen input is, er nul op het display verschijnt, maar dat is hier dus niet het geval.
Als je het eenmaal weet is het begrijpelijk, en zelfs logisch. (al blijft het wat onhandig...)
Maar dit was dan ook geen meter voor het grote publiek, maar een dure meter voor engineers. (koste toen een paar maandsalarissen)
En een engineer uit 1970 kende z'n gereedschap. Hij was blij met wat hij er mee kon meten of zichtbaar maken, en nam de beperkingen of eigenaardigheden graag voor lief
.
groet, Gertjan.
Deze meter heb ik ooit gekocht bij een radioclub in Duitsland. De HP432A powermeter.
Het gaat om het apparaat rechtsonder op de foto. Ik heb nu even alleen deze foto beschikbaar. Maar ik heb de meter compleet met verbindingskabel en twee meetkoppen die tot 10GHz gaan.
Gelukkig heb ik hier nog de originele knopjes opzitten en zijn ze nog heel. Met andere meetapparaten van zowel TEK als HP heb ik wel het bewuste knopjes probleem. Misschien eens een paar maken met de 3D printer ofzo.
Ik gebruik het apparaat regelmatig en ook hier moet je goed nadenken voor je meting gaat doen. De meetkoppen zijn erg kwetsbaar. Ook het interpreteren van je meetresultaat is iets waar je bij moet nadenken. Bepaalde meetmethodes zijn erg indirect en complex. Soms zijn er conversie tabellen nodig om de aanwijzing te vertalen naar iets dat correct zou moeten zijn. En in die tijd waren er nog geen computers die dat vertalen konden doen.
De digitale presentatie van meetgegevens maakt het allemaal heel erg mooi maar maakt het ook heel makkelijk om fouten te maken en men wordt lui. Hoeveel mensen kunnen nog op de juiste manier draaispoelmeter aflezen. En als de meetresultaten niet zijn wat je verwacht kun je daar dan oorzaak van vinden?
Gewoon ff naar Groningen rijden deed iedereen zo zonder moeite. Nu ook maar weet men alleen welk knopje er op de navigatie moet worden ingedrukt. Een vorm van luiheid waar ik me zelf ook schuldig aanmaak.
Arco
Special Member
Arco - "Simplicity is a prerequisite for reliability" - hard-, firm-, en software ontwikkeling: www.arcovox.com
De aanduidingen bij die range knop zijn wel heel erg raar gedrukt. (ik zou zo 20 manieren kunnen bedenken die beter zijn...
)
Je moet echt goed kijken steeds, wat lijntjes (halve cirkel) ertussen zou al een stuk schelen...
nonius
set SCE to AUX.
[HP432] Maar ik heb de meter compleet met verbindingskabel en twee meetkoppen die tot 10GHz gaan.
Wow. Ik ben jaloers. Dergelijke HP powermeters ben ik alleen maar tegengekomen zonder meetkop. En zelfs met meetkop is het maar afwachten of deze nog werkt, ze zijn inderdaad erg kwetsbaar en eigenlijk niet te repareren (hoewel er op het internet wel een paar reparatie-verhalen van mensen staan die het toch gelukt is).
Omdat ik geen geschikte HP431/432/435 kon vinden heb ik destijds maar mijn eigen bolometer gebouwd. In elk geval tot 10GHz werkt deze goed, of toch in elk geval goed genoeg voor mijn amateurdoeleinden. Ik moet alleen de versterker nog een keer vervangen door een chopper, de huidige opamp vertoont veel drift op het gevoeligste bereik.
Maar een echte, werkende HP431 is toch wel een genot om op de werkbank te hebben staan.
De HP432A is altijd op (bijna) elke radiomarkt te vinden in grote aantallen en verschillende bouwjaren (afgelopen HAM Radio heb ik er meer dan 10 gezien). Hogere modellen zoals de HP435A/B ook trouwens.
Ik heb ook een HP432A maar natuurlijk géén bijpassende HP478A thermistor. Die zijn op radiomarkten ook niet te vinden en als je ze vind zijn ze onbetaalbaar of dubieus of ze nog werken.
Link http://www.wa1mba.org/hp478a.htm voor reparatie.
Defecte probes zijn kennelijk massaal weggegooid, want je zou mogen verwachten dat daar ook een hoop van zijn
Hoeben
Golden Member
https://www.hoeben.com https://www.overstockdevices.com https://www.asensor.eu https://www.circuitsonline.net/forum/user/4355#aanbod Voor alle verkoop: een tegenbod is altijd welkom!
Op vrijdag 12 juli 2024 14:54:32 schreef flash2b:
Defecte probes zijn kennelijk massaal weggegooid, want je zou mogen verwachten dat daar ook een hoop van zijn
Verkopers gooien vaak snoeren weg, want koper=geld. Zo zag ik bij een veiling een stapel dure oscilloscopen met probes op de foto. En bij de kijkdag waren die er allemaal afgehaald en in de oud-koper bak gegooid.
Idem heb ik destijds bij Singer in Aken nog een paar honderd Keithley triax connectoren gekocht voor totaal 40 Euro (totaal, niet per stuk). Dit was het laatste restje, de rest was al weg. Ze hadden een grote partij complete originele Keithley kabels binnengekregen en meteen maar het snoer eraf geknipt want koper is geld. Moet je weten dat die snoeren (silent, met koollaagje erin) toen al snel 200 a 300 euro deden op ebay. Niet in totaal maar per stuk. Ik weet niet meer hoeveel kabels ze origineel hadden, maar ik had toen wel berekend dat ze een huis hadden afgeknipt.
Moraal van dit verhaal: kijk bij de verkopers zonder kennis ook even in de oud-ijzer bak! Vaak liggen ze ook gewoon nog ergens in een kast en niemand weet meer waarvoor ze waren.
Dat zal niet meevallen, schema ben ik nog nooit tegengekomen. Handykit was een sticker plakker dus misschien is binnenin nog iets van een originele fabrikant terug te vinden.
De basis is een uA723 of iets anders?